Пн-Вс: c 9:00 до 18:00
заказать звонок
Люстры
Бра и настенное освещение
Подвесной свет
Точечные светильники
Потолочные накладные светильники
Торшеры и напольные светильники
Настольные лампы
Трековые системы освещения
Светодиодная подсветка, профиль
Уличный свет
Детский свет
Розетки и выключатели
Лампочки
Аксессуары и комплектующие
Промышленный свет, технический
Производитель
Ambrella LightAPLOYTArlightARTE LampBogate'sCitiluxCrystal LuxDeLight CollectionDivinareDonoluxEGLOEurosvetEVOLEDEvoluceF-PromoFavouriteFeronFreyaILedexITALLINEKink LightLGOLightstarLOFTLOFT ITLUMIONLussoleMantraMaytoniNewportNovotechNowodvorskiOdeon LightOmniluxSonexST-LuceStilfortVELANTEVele LuceVitaluceWERTMARKIndigoZortesModerliTOPLIGHTGloboImperiumLoftILampLumina DecoSimple StoryAbrasaxAMBIENTE by BRIZZIAM GroupHiperEscadaKutekLuminexNatali KovaltsevaReccagni AngeloTK LightingiLedexiLampLight SnabLouis PoulsenNuuraGabriel ScottVibiaMarsetFoscariniCTO LightingBocciMarc Wood Studio&TraditionAXO LIGHTArticolo LightingKarmanVisual ComfortLuceplanEichholtzANDlightCatellani & SmithFlosTooyCVL LuminairesTham & Videg?rdPreciosa LightingL&G StudioHudson ValleyApparatusMasieroSlampRoss GardamMichael AnastassiadesLuxxuTerzaniSeripAGO LightingIngo MaurerNiamh Barry StudioMorghen StudioMarchetti IlluminazioneLindsey Adelman studioMoooiGiopato & CoombesRakumbaDelighfullEstiluzSerge MouilleHengeBert FrankBaroncelliBrokisAtelier AretiArtemideVolker HaugTom DixonRobert AbbeyParachilnaLuce PlanLambert & FilsIntueri LightItalampIl Pezzo MancanteInnermostIlfaryHubbardton ForgeCattelan ItaliaBuster + PunchBec BrittainBowerArturo AlvarezIpe CavalliGubiZeitraumRoll & HillDavide GroppiLess SystemLeds C4ARPEL LightingBommaNemoLasvitTrizo 21DesignheurePentaDCWCameron Design HouseMuutoOblureJuniperAC StudioAltavola DesignKUNDALINIObjectBoverJAPTHApiales by NuuraHeavenMakhno ProductConstance GuissetLuke Lamp CoStudio Bouroullec CreatesSergio MarchettiDomusLZFNormann CopenhagenForestierStudio Italia DesignlladroThislexikYUJI OKITSUOccioFelix MonzaTalaAxo LightVistosiBaccaratLinea LightTIN DESIGNVerner PantonVitaLeucosLimpaluStuffWonderglassGK ConceptTossBMatteo ZorzenonLee BroomTom KirkMineheartMatthew McCormickMambo Unlimited IdeasHandv?rkManooiChristopher BootsBenjamin HubertB.LuxHans-Agne JakobssonJustina BlakeneyПодвесной светильник CHOICE FALLING Choice by Tobias GrauSylvain WillenzRestoration HardwareQuasarFritz HansenLarose GuyonKriskadecorDamien Langlois-MeurinneDavid Weeks StudioCasamania & HormCappelliniAlmerichAlmaGallotti & RadiceTech LightingKevin ReillyMasion & ObjetHemGraypantsArtecnicaSpace CopenhagenMaterRyan TaylorEno StudioSONNEMANPelleYUUE Design StudioNordluxGrupaFormafantasma
Производитель
Ambrella LightAPLOYTArlightARTE LampBogate'sCitiluxCrystal LuxDeLight CollectionDenkirsDivinareDonoluxEGLOElektrostandardEurosvetEVOLEDEvoluceF-PromoFavouriteFeronFreyaILedexITALLINEKink LightLeDronLGOLightstarLOFTLOFT ITLUMIONLussoleMantraMaytoniMaytoni TechnicalNewportNovotechNowodvorskiOdeon LightOmniluxSonexST-LuceStilfortVELANTEVele LuceVitaluceWERTMARKIndigoZortesModerliTOPLIGHTGloboImperiumLoftILampLUCIDELumina DecoSimple StoryAbrasaxAMBIENTE by BRIZZIAM GroupHiperEscadaKutekLuminexNatali KovaltsevaReccagni AngeloTK LightingiLedexiLampLight SnabLouis PoulsenNuuraVolker Haug StudioGabriel ScottVibiaPANZERIValerie ObjectsMarsetFoscariniCTO LightingBocciFontana ArteMarc Wood Studio&TraditionAXO LIGHTArticolo LightingRBWKarmanVisual ComfortGinger&JaggerLuceplanPaolo CastelliEichholtzHeathfield LightingAstro LightingAromas del CampoANDlightBaxterCatellani & SmithFlosTooyLumina ConceptsCVL LuminairesTham & Videg?rdMilanPreciosa LightingLumen Center ItaliaL&G StudioHudson ValleyApparatusGROKTrizoSwedish NinjaSelettiTrueing StudioMasieroLightmaker StudioDavid PompaDSWSlampRoss GardamMichael AnastassiadesLuxxuTerzaniSeripD'ArmesMagni Home CollectionAGO LightingIngo MaurerNiamh Barry StudioMorghen StudioMarchetti IlluminazioneLindsey Adelman studioMoooiGiopato & CoombesBoca Do LoboChelsomRakumbaDelta LightPLEASE WAIT to be SEATEDDelighfullHoutiqueEstiluzBentu DesignSerge MouilleHengeBert FrankBaroncelliBrokisAtelier AretiArtemideVolker HaugTom DixonRobert AbbeyParachilnaLuce PlanLambert & FilsIntueri LightItalampIl Pezzo MancanteInnermostIlfaryHubbardton ForgeCattelan ItaliaBuster + PunchBec BrittainBowerArturo AlvarezIpe CavalliMillelumenArketipoGubiZeitraumRoll & Hill
Производитель
Ambrella LightAPLOYTArlightARTE LampBogate'sCitiluxCrystal LuxDeLight CollectionDenkirsDivinareDonoluxEGLOElektrostandardEurosvetEvoluceF-PromoFavouriteFeronFreyaILedexITALLINEKink LightLeDronLGOLightstarLOFTLOFT ITLUMIONLussoleMantraMaytoniMaytoni TechnicalNewportNovotechNowodvorskiOdeon LightOmniluxST-LuceStilfortVELANTEVele LuceVitaluceWERTMARKIndigoZortesModerliTOPLIGHTGloboImperiumLoftILampLUCIDELumina DecoSimple StoryTopDecorAbrasaxAM GroupHiperEscadaKutekLuminexNatali KovaltsevaReccagni AngeloTK LightingiLedexiLampLight SnabLouis PoulsenNuuraGabriel ScottVibiaMarsetFoscariniBocciFontana ArteMarc Wood Studio&TraditionAXO LIGHTArticolo LightingKarmanLuceplanPaolo CastelliEichholtzHeathfield LightingANDlightCatellani & SmithFlosTooyCVL LuminairesMilanPreciosa LightingHudson ValleyApparatusSelettiTrueing StudioMasieroDavid PompaSlampRoss GardamMichael AnastassiadesLuxxuTerzaniSeripAGO LightingIngo MaurerNiamh Barry StudioMorghen StudioMarchetti IlluminazioneLindsey Adelman studioMoooiGiopato & CoombesRakumbaDelighfullHoutiqueEstiluzBentu DesignHengeBert FrankBaroncelliBrokisAtelier AretiArtemideVolker HaugTom DixonParachilnaLuce PlanLambert & FilsIntueri LightItalampInnermostIlfaryHubbardton ForgeCattelan ItaliaBuster + PunchBec BrittainBowerArturo AlvarezIpe CavalliGubiZeitraumRoll & HillDavide GroppiLess SystemLeds C4ARPEL LightingBommaNemoLasvitTrizo 21DesignheurePentaDCWCameron Design HouseMuutoOblureJuniperAC StudioAltavola DesignKUNDALINIObjectBoverJAPTHApiales by NuuraMakhno ProductConstance GuissetStudio Bouroullec CreatesSergio MarchettiLZFNormann CopenhagenForestierStudio Italia DesignlladroThislexikYUJI OKITSUOccioFelix MonzaTalaAxo LightVistosiLinea LightTIN DESIGNVerner PantonVitaLimpaluWonderglassLee BroomTom KirkMineheartMatthew McCormickMambo Unlimited IdeasHandv?rkManooiChristopher BootsBenjamin HubertB.LuxHans-Agne JakobssonJustina BlakeneyПодвесной светильник CHOICE FALLING Choice by Tobias GrauSylvain WillenzRestoration HardwareQuasarFritz HansenLarose GuyonKriskadecorDamien Langlois-MeurinneCasamania & HormCappelliniAlmerichAlmaGallotti & RadiceTech LightingHemGraypantsArtecnicaSpace CopenhagenMaterRyan TaylorEno StudioSONNEMANPelleYUUE Design StudioNordluxINT DesignEureka LightingAtelier Alain EllouzMelogranobluResidentFisionarteEx.tExporluxE15Milan IluminaciónGino SarfattiKelly WearstlerNew WorksJana ChangSCHNEID STUDIOHaberdasheryTham & VidegardLennyLuminaLoomiosaMilan LightingSklo StudioQeebooDePadovaTonin CasaJaime Hayon studioGrupaNoomIwona Kosicka DesignFormagendaArtekHome AdventuresNEO/CRAFTSpecimen EditionsMiniformsClassiConFabbianNiche ModernChors
Производитель
Ambrella LightAPLOYTARTE LampBogate'sCitiluxCrystal LuxDeLight CollectionDivinareEGLOEurosvetEvoluceF-PromoFavouriteFreyaILedexKink LightLGOLightstarLOFTLOFT ITLUMIONLussoleMantraMaytoniNewportNovotechNowodvorskiOdeon LightOmniluxST-LuceStilfortVELANTEVele LuceVitaluceWERTMARKIndigoModerliGloboImperiumLoftILampLUCIDELumina DecoAbrasaxAMBIENTE by BRIZZIAM GroupHiperEscadaReccagni AngeloTK LightingiLedexiLampLight SnabLouis PoulsenVibiaMarsetFoscariniCTO LightingAXO LIGHTEichholtzCatellani & SmithFlosTooyCVL LuminairesMilanL&G StudioApparatusTrizoSelettiMichael AnastassiadesLuxxuTerzaniSeripIngo MaurerLindsey Adelman studioMoooiGiopato & CoombesRakumbaDelighfullSerge MouilleBert FrankBrokisAtelier AretiArtemideTom DixonParachilnaLuce PlanLambert & FilsArketipoGubiZeitraumBommaNemoLasvitDesignheureMuutoOblureKUNDALINIStudio Italia DesignlladroOccioFelix MonzaMineheartHandv?rkDamien Langlois-MeurinneDavid Weeks StudioCappelliniGallotti & RadiceClassiConAlma LightNatevoLedsC4LaurameroniMoggEttoreGoffredo ReggianiTubes RadiatoriSebastian HerknerMandalaki StudioCaminoBizzottoBrabbu
Производитель
Ambrella LightAPLOYTARTE LampBogate'sCitiluxCrystal LuxDeLight CollectionDenkirsDivinareEGLOElektrostandardEurosvetEvoluceF-PromoFavouriteFeronFreyaILedexITALLINEKink LightLGOLightstarLOFTLOFT ITLUMIONLussoleMantraMaytoniNewportNovotechNowodvorskiOdeon LightOmniluxST-LuceStilfortVELANTEVele LuceVitaluceWERTMARKIndigoModerliTOPLIGHTGloboImperiumLoftILampLUCIDELumina DecoSimple StoryAbrasaxAMBIENTE by BRIZZIAM GroupEscadaKutekReccagni AngeloTK LightingiLedexiLampLight SnabLouis PoulsenVibiaMarsetFoscariniFontana ArteMarc Wood Studio&TraditionAXO LIGHTKarmanEichholtzCatellani & SmithFlosTooyCVL LuminairesApparatusGROKSelettiMasieroLuxxuSeripIngo MaurerMoooiRakumbaDelighfullEstiluzBert FrankBaroncelliBrokisAtelier AretiArtemideTom DixonRobert AbbeyParachilnaLambert & FilsInnermostGubiZeitraumRoll & HillBommaLasvitDesignheureMuutoKUNDALINIDomusNormann CopenhagenStudio Italia DesignlladroFelix MonzaVistosiVerner PantonMatteo ZorzenonMineheartAlmerichMelogranobluResidentNew WorksClassiConAlma LightNatevoLedsC4LaurameroniSebastian HerknerNendoFerm LivingSimple DesignsVakkerlightTobias GrauFainaKAIAWästbergHana BelliniDas Happy MediumGHIDINI1961SLAMPSaint-LouisEnnioRugianoNorthernHaoshiEny Lee ParkerLightyearsKartellStudio 6FDesign FL
Производитель
Ambrella LightAPLOYTArlightARTE LampCitiluxCrystal LuxDivinareEGLOElektrostandardEurosvetEvoluceF-PromoFavouriteFreyaILedexKink LightLightstarLOFT ITLUMIONLussoleMantraMaytoniNowodvorskiOdeon LightOmniluxSonexST-LuceVELANTEVitaluceModerliGloboImperiumLoftLUCIDETopDecorAbrasaxAM GroupHiperEscadaNatali KovaltsevaiLedexLight SnabLouis PoulsenVibiaValerie ObjectsMarsetFoscariniBocciMarc Wood Studio&TraditionAXO LIGHTRBWKarmanLuceplanAstro LightingANDlightFlosMilanPreciosa LightingLumen Center ItaliaGROKSwedish NinjaSelettiTrueing StudioMasieroDavid PompaSlampMichael AnastassiadesAGO LightingIngo MaurerMarchetti IlluminazioneMoooiGiopato & CoombesPLEASE WAIT to be SEATEDHoutiqueEstiluzBentu DesignSerge MouilleBert FrankBrokisAtelier AretiArtemideTom DixonRobert AbbeyLuce PlanLambert & FilsItalampInnermostBowerArturo AlvarezGubiBommaNemoLasvitDesignheureMuutoOblureJuniperAltavola DesignKUNDALINIObjectBoverJAPTHConstance GuissetNormann CopenhagenForestierStudio Italia DesignlladroVistosiTIN DESIGNVerner PantonVitaLimpaluStuffWonderglassMatteo ZorzenonTom KirkMineheartMambo Unlimited IdeasBenjamin HubertJustina BlakeneyFritz HansenKriskadecorCasamania & HormCappelliniAlmerichHemArtecnicaSpace CopenhagenMaterRyan TaylorEno StudioYUUE Design StudioINT DesignEureka LightingMelogranobluEx.tExporluxE15SCHNEID STUDIOHaberdasheryLennyLuminaQeebooDePadovaNoomIwona Kosicka DesignFormagendaHome AdventuresMiniformsNiche ModernMoggEttoreGoffredo ReggianiSebastian HerknerMandalaki StudioNorthernHaoshiEny Lee ParkerLightyearsKartellStudio 6FDesign FLArts & Crafts
Тип
КоронкиКорпусы светильниковВставки декоративныеКоннекторы модульных светильниковБазы встраиваемыеБазы накладныеЛинзы для светильниковКрепежные элементы для светильниковДрайверы для модульных светильниковСтойки для светильниковРефлекторыПлаты для светодиодовРазветвителиКлеммыУдлинители кабелейСтекла с наклейкамиТубусы картонныеWi-Fi релеНакладки на базуОтражателиКоробки картонныеАнтибликовые решеткиПлафоныЗаглушки модульных светильниковРамки декоративныеМодулиПодвесыБлоки питания ACБлоки защитыАксессуары
Тип
Офисные светильникиСветильники промышленныеСветильники для растениеводстваCветильники потолочные встраиваемыеПылевлагозащищенные светильникиСветильники офисные накладныеКонсольные светильникиСветильники АрмстронгСветильники DownlightСветодиодные панелиБактерицидные светильники и облучателиСветильники подвесные промышленныеСветильники для потолка грильятоСветильники настенно-потолочныеПотолочные светильникиКупольные светильникиСветильники модульныеАварийные светильникиСветовые указателиКомплектующие

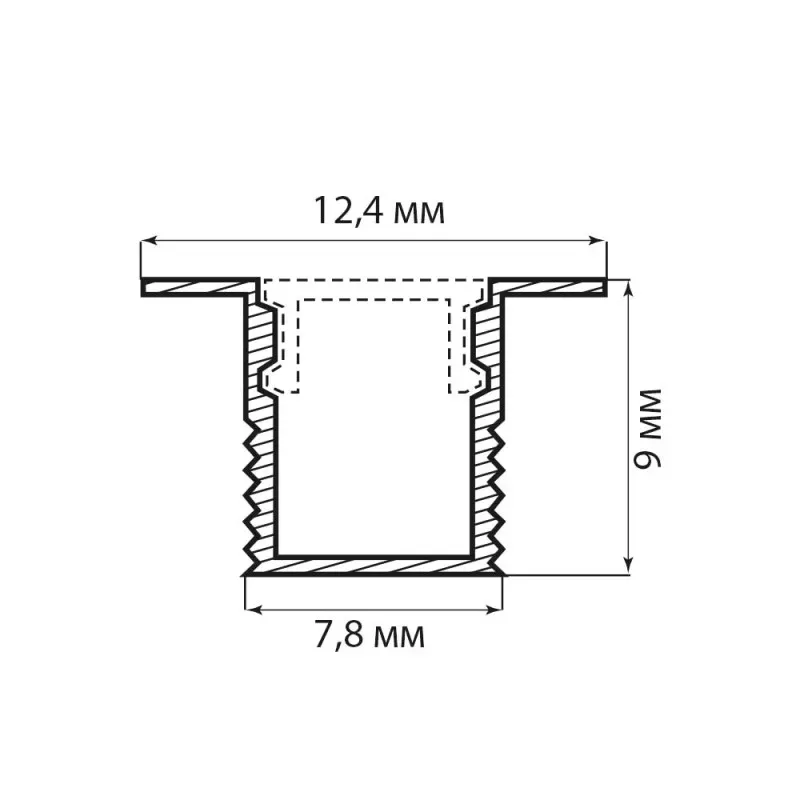
Профиль Feron 52150

630
1002

Информация о доставке

Доставка по Москве, пределах МКАД

Доставка по МО, за пределы МКАД

Бесплатно, до 15км от МКАД 

Бесплатный Самовывоз

  • г. Москва, Дмитровское шоссе д.100с2

Доставка по всей России

  • Отправим заказ любой транспортной компанией

Подробная информация о доставке ->

Характеристики
Модель
52150
Остаток
1002
Производитель
Коллекция
Тип монтажа
Плафон
Материал плафона
Арматура
Цвет арматуры
Материал арматуры
Размеры
Ширина/диаметр
12
Высота
9
Длина
2000
Наличие экрана
Количество грузовых мест
1
Коробка
Объем коробки
0.01
Вес коробки
0.14
Размер коробки (ДхШхВ)
2000х10х15
Другие товары коллекции
С этим товаром покупают
MAX Whatsapp